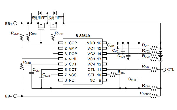
1.原理圖Schematic diagram

2.關鍵元件清單PCB Parts list
| 品名 | 庫存單位 | 組成量 | 位號 |
| MOSFET/SIS4407C/P管/SO-8 | PCS | 6.00 | |
| 貼片合金電阻/2512/2W/8毫 | PCS | 1.00 | |
| 精工/S-8254AAW/TSSOP-16 4.25V 3.00V | PCS | 1.00 | U1 |
| 64*30*1.0mm 2層 綠油白字噴錫 1OZ ROHS | PCS | 1.00 |
3.焊盤描述 Pad description



5. 技術參數Technical Parmeter
| 項 目 | 規 格 描 述 | 參 數 |
| 產品型號 | HCX-PCB-D087 | 3S-8A工作電流 |
| 電壓 | 充電電壓 | 12.6V |
| 電流 | 最大持續充電電流 | 8A |
| 最大持續放電電流 | 8A | |
| 靜態電流(自耗電) | ≤35μA | |
| 過充保護 | 過充檢測電壓 | 4.25V±0.025V |
| 過充檢測延時時間 | 0.5S—1.5S | |
| 過充恢復電壓 | 4.10±0.050V | |
| 過放保護 | 過放檢測電壓 | 3.00±0.080V |
| 過放檢測延時時間 | 50mS—150mS | |
| 過放恢復電壓 | 3.20±0.1V | |
| 過流保護 | 過流檢測電壓 | 0.10±0.025V |
| 過流檢測電流 | 10±3A | |
| 過流檢測延時時間 | 5ms—15ms | |
| 過流恢復條件 | 斷開負載/充電激活 | |
| 短路保護 | 短路檢測條件 | 外部短路環路阻值小于0.1歐 |
| 短路保護檢測延時時間 | 100-600us | |
| 短路保護回復條件 | 斷開負載/充電激活 | |
| 均衡 | 單節電芯均衡電壓 | ±0.025V |
| 單節電芯均衡電流 | ±10 mA | |
| 主板內阻 | 主板工作時導通內阻 | ≤50mΩ |
| 溫度保護 | 溫度開關 | / |
| NTC (10KNTC B=3435) | / | |
| 工作溫度 | 工作溫度 | -20~+85℃ |
| 儲存溫度 | -20~+125℃ | |
| PCBA尺寸 | 60*30*T4mm | |
| 排線 | PIN 長 MM | / |
| 主IC方案 | S8254AAW |
| REMARK:(附圖片說明外觀及接線) |
![]() |

