1.電壓保護Voltage protection
| 項目ITEM: | 保護值Protection thresholds | |
| 額定電壓 | 13串54.6V | TBD |
| 靜態自耗電流 | 50 | ua |
| 持續充電電流 | 5 | A |
| 持續放電電流 | 20(峰值25A ) | A |
| 過充電檢測電壓Over-charge detection voltage (per cell) | 4.250± 20mV (可調) | V |
| 過充電延時間Over-charge detection delay time | 700mS -1300mS | S |
| 過充電恢復電壓 Over-charge release voltage (per cell) | 4.150± 20mV (可調) | V |
| 過放電檢測電壓Over-discharge detection voltage (per cell) | 2.8± 20mV | V |
| 過放電延時間Over-discharge detection delay time | 700mS -1300mS | S |
| 過放恢復電壓Over-discharge release voltage (per cell) | 3.0± 80mV (可調) | V |
| 項目ITEM: | 保護值Protection thresholds: | |
| 充電過流保護電流 | 25±2A (可調) | |
| 充電過流檢測延遲時間Over-current detection delay time 1 | 1000±200mS | mS |
| 過電流1保護電流Overcurrent 1 protection current | 60± 5A(可調) | A |
| 過流檢1測延遲時間Over-current detection delay time 1 | 1000±200mS | mS |
| 過電流2保護電流Overcurrent 2 protection current | 125±10A | A |
| 過流檢2測延遲時間Over-current detection delay time2 | 50±10mS | mS |
| 短路保護SCD detection | >=300A(以客戶實際電池測試為準) | A |
| 負載短路檢測延遲時間SCD delay time | 125-400 | uS |
| 過電流/短路保護恢復 | 移除負載 恢復 |
3.溫度值Temperature thresholds
| 項目ITEM: | 保護值Protection thresholds: | |
| 充電高溫溫度保護OTC | 55℃(可調) | ℃ |
| 放電高溫溫度保護OTD | 75℃(可調) | ℃ |
| 充電低溫溫度保護UTC | -10℃(可調) | ℃ |
| 放電高溫溫度保護UTD | -25℃(可調) | ℃ |
4.均衡
| 均衡開啟電壓 | 4.20± 20mV(可選擇) | V |
| 均衡電流 | 20mA±6 mA |
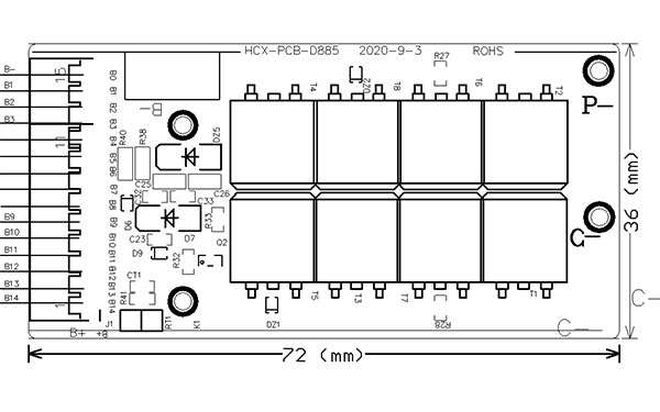
5.PCB尺寸圖


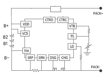
6.接口定義
| 接口 | 符號說明 |
| PACK-(P-) | 充電時接充電器負極 放電時接負載負極.此接口為大電流接口,請根據負載電流選用合適規格的線材 |
| BATT-(B-) | 接電池負極.此接口為大電流接口請根據負載電流選用合適規格的線材 |
| 3.7V(B1) | 第1節電芯正極第2節電芯負極3.7V |
| 7.4V(B2) | 第2節電芯正極第3節電芯負極7.4V |
| 11.1V(B3) | 第3節電芯正極第4節電芯負極11.1V |
| ------ | ------------------------- |
| B+ | 第13節電芯正極 |
| PACK+(P+)/B+ | 充電時接電源正極,放電時接負載正極.此接口為大電流接口,請根據負載電流選用合適規格的線材 |
7.主元器件清單
| HCX-PCB-D885/72*36*1.6MM/FR-4/綠油白字 | PCS | 1 | PCB底板 |
| MOSFET/CRSS052N08NP/85V/120A/VGS≤5.2mΩ/TO-263 | PCS | 5 | |
| IC/OZ7714 | PCS | 1 | U1 |

